- CHINESE
- 13925554735
• Digital readout protractor screen (including zero setting, ABS/INC switch) for
easy and error-free angle measurement
• The optional optical edge detector eliminates human error that may be associated with visual alignment, ensuring fast, accurate and consistent measurements, regardless of operator skill.
•The optional measuring software allows easy and convenient operation

|
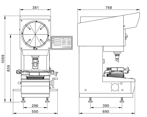
model |
VOC-1505 |
||||
|
X、Y axis travel(mm) |
150*50 |
||||
|
Z axis travel(mm) |
90 |
||||
|
X、Y axis resolution (μm) |
0.5 |
||||
|
Length unit |
Linear scale |
||||
|
Metrology counter |
Measure point line distance angle; |
||||
|
Measuring accuracy (μm) |
2.5+L/150 L=measuring length (mm) |
||||
|
Projection screen |
size (mm) |
Ф312,engraved with cross-hairs |
|||
|
rotation range |
0~360° |
||||
|
rotation resolution |
1' or 0.01° |
||||
|
Illumination |
surface illumination |
24V/150W halogen lamp |
|||
|
contour illumination |
24V/150W halogen lamp |
||||
|
objective lens |
magnification |
10X |
20X |
50X |
100X |
|
object of view(mm) |
Ф30 |
Ф15 |
Ф6 |
Ф3 |
|
|
Working distance(mm) |
77.7 |
44.3 |
38.4 |
25.3 |
|
|
Max measuring height(mm) |
80 |
80 |
80 |
80 |
|
|
Cooling |
Built-in cooling fans |
||||
|
Power supply |
AC100~240V 50/60Hz |
||||


