- CHINESE
- 13925554735
Character:
• Full erect: Not be affected by upside down and division in the left and right
• High precision: (3+L/75) μm is comparable to the accuracy of the foreign similar products
•Large travel: 250*150*100(for the focus)
•Large load : The accuracy remains stationary under the press of 20 kg
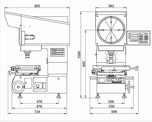
Overall Size:

|
model |
VOE-2010 |
VOE-2515 |
|||
|
Metal table’s size(mm) |
404*228 |
450*280 |
|||
|
Glass table’s size(mm) |
260*160 |
306*196 |
|||
|
Stage Travel X-axis |
200mm |
250mm |
|||
|
Stage Travel Y-axis |
100mm |
150mm |
|||
|
Stage Travel Z-axis |
100mm(for focus) |
100mm(for focus) |
|||
|
Resolution |
0.5µm |
0.5µm |
|||
|
Measuring unit |
Built-in linear scales |
Built-in linear scales |
|||
|
Measuring Accuracy |
≤±(2.2+L/150)µm |
≤±(2.2+L/150)µm |
|||
|
Screen |
Screen Diameter: ¢312mm with 4 film clips |
||||
|
Screen material: fine ground glass |
|||||
|
Reference line: Staggered cross and cross-hair |
|||||
|
Screen rotary range: 0°~360° |
|||||
|
Rotary angle resolution:1’ or 0.01° |
|||||
|
Digital Readout |
DC-3000 measuring counter with RS232 output |
||||
|
Illumination |
Contour illumination: 24V/150W halogen bulb |
||||
|
Power |
AC110/220V, single phase 50/60Hz, Total power 400W |
||||
|
Cooling |
Built-in cooling fans |
||||
|
G.W/N.W |
215/165KG |
230/180KG |
|||
|
Dimension (L*W*H ) |
780*780*1120(mm) |
780*810*1120(mm) |
|||
|
objective lens |
magnification |
10X |
20X |
50X |
100X |
|
object of view(mm) |
Ф30 |
Ф15 |
Ф6 |
Ф3 |
|
|
Working distance(mm) |
77.7 |
44.3 |
38.4 |
25.3 |
|
|
Max measuring height(mm) |
90 |
90 |
90 |
90 |
|
Measuring Software |
Edge Detector |
Overlay Charts (3 kinds) |
|||
|
VOE-20X Objective |
VOE-50X Objective |
VOE-100X Objective |
|||
|
Holder with clamp |
V block with clamp |
Swivel center support |
|||
|
Mini-printer |
Rotary table |
Calibration Scale |
|
Digital Readout DC-3000 |
VOE-10X Objective |
Screen Clamp |
|||
|
Foot-Switch |
Power Cable |
Light source |


